

INTEGRAL POWER DUO
Integral Power DUO es un equipo de climatización eléctrica de techo que combina aire acondicionado y calefacción en una sola unidad, diseñado para vehículos que trabajan en condiciones exigentes y requieren una solución fiable, eficiente y de fácil instalación.
Accesorios
El Integral Power DUO es la evolución del reconocido Integral Power II, incorporando aire acondicionado y calefacción en un único equipo totalmente eléctrico, diseñado para garantizar el máximo confort térmico en cualquier época del año
Se monta en el techo de la cabina y es la solución ideal cuando el vehículo no dispone de climatización de origen, cuando se necesita un refuerzo del sistema existente o cuando se requiere un equipo adicional e independiente, tanto en climas cálidos como fríos.
Gracias a su versatilidad y robustez, el Integral Power DUO está especialmente indicado para vehículos off-road como excavadoras, camiones volquete, grúas, niveladoras, maquinaria agrícola y carretillas elevadoras. Su uso está también ampliamente extendido en camiones urbanos de recogida de residuos, donde la fiabilidad y el confort del operador son clave.
Características principales
-
Función dual: aire acondicionado y calefacción en un solo equipo.
-
Equipo 100 % eléctrico con avanzada tecnología inverter, eficiente y silenciosa. Ahora con hasta 12 dB(A) menos de ruido exterior.
-
Estructura extremadamente resistente, diseñada para entornos de trabajo exigentes y con mínimo mantenimiento.
-
Instalación sencilla sobre el techo de la cabina, sin intervención en el motor del vehículo.
-
Adaptación perfecta a cabinas sin escotilla.
-
Plantilla de corte incluida.
-
Incluye gas refrigerante de nueva generación R-1234yf con impacto ambiental casi nulo
El Integral Power DUO es la solución definitiva para quienes buscan confort térmico durante todo el año, máxima fiabilidad y una instalación rápida y limpia, incluso en las aplicaciones más exigentes.
El nuevo Integral Power DUO está disponible para vehículos sin escotilla en versión MANUAL, en 12V o 24V.
TIPO DE VEHÍCULO | MODELO | OPCIONES |
|---|---|---|
Vehículos
SIN escotilla
| Integral Power DUO
Manual
|
|
Modelo | INTEGRAL POWER DUO 12V | INTEGRAL POWER DUO 24V |
|---|---|---|
(*) De acuerdo con ISO5151:T1 | (**) Medida para unas condiciones de temperatura interior y exterior de 32ºC (BS) / 24ºC (BH) | |
Uso | Motor en marcha / Motor parado | Motor en marcha / Motor parado |
Instalación | Techo | Techo |
Posición de montaje | Horizontal | Horizontal |
Compresor | Twin rotatory | Twin rotatory |
Gas refrigerante | R-1234yf | R-1234yf |
Pre-cargado con gas | Sí | Sí |
Voltaje | 12 V | 24 V |
Potencia W | Frío:1.730 W (*) Frío:2040 W(**) Calor: 820 W | Frío:1.840 W (*) Frío:2.230 W (**) Calor: 1.040 W |
BTU/h | Frío: 5.903 BTU/h (*) Frío: 6.9361 BTU/h (**) Calor: 2.798 BTU/h | Frío: 6.278 BTU/h (*) Frío: 7.609 BTU/h (**) Calor: 3.550 BTU/h |
Consumo eléctrico | Frío: 32,0 – 68,3 A (*) Frío: 30,8 – 71,2A (**) Calor: 51 – 61 A | Frío: 15,7 – 35,5 A (*) Frío: 15,1 – 35,8 A (**) Calor: 30 – 39,6 A |
Caudal de aire máx.
| 350m3/h | 350 m3/h |
Velocidades | 3 | 3 |
Unidad de control compresor
| De serie
| De serie
|
Doble protección de batería
| Sí
| Sí |
Alternador mínimo necesario
| 80 A – 15 V | 75 A – 28 V |
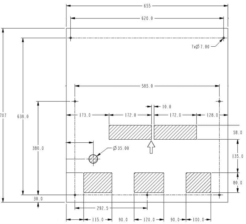
Dimensiones | 664 x 763 x 217 mm (ext) 570 x 460 x 70 mm (int) | 664 x 763 x 217 mm (ext) 570 x 460 x 70 mm (int) |
Peso | 35 kg | 35 kg |
Aplicaciones | Camiones off-road Grúas Vehículos agrícolas Maquinaria para obra Carretillas Otros vehículos Especiales | Camiones off-road Grúas Vehículos agrícolas Maquinaria para obra Carretillas Otros vehículos Especiales |
Productos relacionados
Preguntas frecuentes
Lorem ipsum dolor sit amet consectetur
Lorem ipsum dolor sit amet consectetur. Nec id ullamcorper faucibus odio molestie quis cras dui. Elementum ut magnis ut consequat arcu sed. Dictum lectus ac auctor tincidunt.
Pretium et euismod mi enim ipsum interdum pharetra aenean tempus. Lacus ac mauris ac mollis aliquam dui tincidunt. Risus commodo ut orci tellus quis id. Ut quis tempor vulputate egestas fames viverra aliquet maecenas ut. Ac in magna sed sed sit tortor eu enim donec.
Lorem ipsum dolor sit amet consectetur
Lorem ipsum dolor sit amet consectetur. Tincidunt molestie mi mattis pulvinar arcu tellus imperdiet in. Tellus urna convallis nunc ornare vulputate maecenas quis in. Nulla non id faucibus tellus rhoncus tortor. Neque sed metus sit urna
Lorem ipsum dolor sit amet consectetur
Lorem ipsum dolor sit amet consectetur. Tincidunt molestie mi mattis pulvinar arcu tellus imperdiet in. Tellus urna convallis nunc ornare vulputate maecenas quis in. Nulla non id faucibus tellus rhoncus tortor. Neque sed metus sit urna
Lorem ipsum dolor sit amet consectetur
Lorem ipsum dolor sit amet consectetur. Tincidunt molestie mi mattis pulvinar arcu tellus imperdiet in. Tellus urna convallis nunc ornare vulputate maecenas quis in. Nulla non id faucibus tellus rhoncus tortor. Neque sed metus sit urna
Certificaciones
de Calidad